Befestigungen > Scheiben und Sicherungsringe >
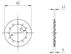
DIN 6798 J Fächerscheiben, Form J A2
Material: A2 | A4
| d1 | d2 | h | s1 | ![]() |
|---|---|---|---|---|
| 2.2 | 4.5 | ~ 0.9 | 0.3 | 1000 |
| 2.5 | 5 | ~ 1.2 | 0.4 | 1000 |
| 2.7 | 5.5 | ~ 1.2 | 0.4 | 1000 |
| 3.2 | 6 | ~ 1.2 | 0.4 | 1000 |
| 3.7 | 7 | ~ 1.5 | 0.5 | 1000 |
| 4.3 | 8 | ~ 1.5 | 0.5 | 1000 |
| 5.1 | 9 | ~ 1.5 | 0.5 | 1000 |
| 5.3 | 10 | ~ 1.8 | 0.6 | 1000 |
| 6.4 | 11 | ~ 2.1 | 0.7 | 1000 |
| 7.4 | 12.5 | ~ 2.4 | 0.8 | 1000 |
| 8.2 | 14 | ~ 2.4 | 0.8 | 1000 |
| 8.4 | 15 | ~ 2.4 | 0.8 | 1000 |
| 10.5 | 18 | ~ 2.7 | 0.9 | 1000 |
| 13 | 20.5 | ~ 3 | 1 | 500 |
| 15 | 24 | ~ 3 | 1 | 500 |
| 17 | 26 | ~ 3.6 | 1.2 | 500 |
| 19 | 30 | ~ 4.2 | 1.4 | 200 |
| 21 | 33 | ~ 4.2 | 1.4 | 200 |
| 23 | 36 | ~ 4.5 | 1.5 | 200 |
| 25 | 38 | ~ 4.5 | 1.5 | 200 |
| 28 | 44 | ~ 4.8 | 1.6 | 100 |
| 31 | 48 | ~ 4.8 | 1.6 | 100 |
