Befestigungselemente > Lüftungen >
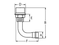
Art.-Nr. 8319 Tankentlüfter, 90°
Material: A4-AISI 316
| Art.-Nr. | A | B | D | E | F | ![]() |
|---|---|---|---|---|---|---|
| 8319416 | 16 | 85 | 31 | 25 | 60 | 1 |
| 8319419 | 19 | 105 | 33 | 27 | 80 | 1 |
+375 (17) 259 42 41 - Tel./Fax
+375 (29) 323 11 12 - Tel.(A1)
Befestigungselemente > Lüftungen >
| Art.-Nr. | A | B | D | E | F | ![]() |
|---|---|---|---|---|---|---|
| 8319416 | 16 | 85 | 31 | 25 | 60 | 1 |
| 8319419 | 19 | 105 | 33 | 27 | 80 | 1 |